Featured image of post Dvd Britania Image Game Usb

Dvd Britania Image Game Usb

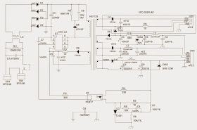
Fbt 189 britania portatil usb

Built with Hugo Cuy
Theme Reang Cuy v.%!(EXTRA string=2.0.1) designed by Ngopi24Jam.cuy